Débitmètre d'eau électronique

WMD15 à WMD50 est un compteur d'eau électronique complet sans registre, mesure l'eau potable froide (chaude) pour une application résidentielle dans des tailles de 15 mm à 50 mm.
Caractéristiques:
Adopter la technologie de pointe de codage et de vérification des données, avec une fiabilité de communication élevée
Répondre à EMC/ESD/EMI, aux exigences de conception de compatibilité électromagnétique pour les produits électroniques, atteignant le niveau de pointe industriel.
Conception de souper à faible consommation d'énergie, pas besoin d'entretien pour le circuit.
Qualité étanche à l'eau IP 68, adaptée à différents environnements compliqués.
Anti-goutte et anti-retour de flux.
Structure à haute sensibilité et haute endurance, avec une longue durée de vie.
Anti-magnétique.
Conçu comme fonction de débitmètre.
Conformité aux normes
Les données techniques sont conformes à la norme ISO 4064 Classe B, Classe C, R80, R100, R125 ou R160 pour une installation horizontale.
Caractéristiques optionnelles
*Plusieurs longueurs et connexions disponibles sur demande
*Clapet anti-retour
*Option de sortie d'impulsions : commutateur à lames ; hall ou plaque métallique non magnétique.
*Corps du compteur : Laiton, plastique, fer et acier inoxydable pour la sélection.
Les conditions de travail
Température de l'eau : ≤50ºC pour compteur d'eau froide
Température de l'eau : ≤90ºC pour compteur d'eau chaude
Pression d'eau : ≤1MPa ou 1.6MPa en option (10bar ou 16bar en option)Exigences d'installation
*Le compteur doit être installé en position horizontale avec le sens du débit indiqué par la flèche moulée dans le corps du compteur avec le registre vers le haut.
*Le pipeline doit être rincé avant l'installation. *Le compteur doit être constamment rempli d'eau pendant le fonctionnement.
Erreur maximale admissible
Dans la zone inférieure de Qmin(Q1) inclus jusqu'à mais excluant Qt (Q2) est de ±5%. Dans la zone supérieure de Qt(Q2) inclus jusqu'à et y compris Qmax(Q4) est de ±2% (compteur d'eau froide).
Dans la zone supérieure de Qt(Q2) inclus jusqu'à et y compris Qmax (Q4) est de ±3% (compteur d'eau chaude).

Accessoires
Chaque compteur d'eau a un ensemble de raccords en option : tube 2 pièces, écrou 2 pièces et joint 2 pièces
PRINCIPALES DONNÉES TECHNIQUES Selon ISO4064 :2003 (ancienne norme)
| Taille | Pouce | Classer | Qmax | Qn | Qt | Qmin | Lecture minimale | Lecture maximale |
| Débit maximal | Débit nominal | Flux de transition | Débit minimum | |||||
| DN(mm) | m³/h | L/h | m³ | |||||
| 15 | 1/2" | B | 3 | 1.5 | 120 | 30 | 0.00005 | 99999 |
| C | 22.5 | 15 | ||||||
| 20 | 3/4" | B | 5 | 2.5 | 200 | 50 | 0.00005 | 99999 |
| C | 37.5 | 25 | ||||||
| 25 | 1" | B | 7 | 3.5 | 280 | 70 | 0.00005 | 99999 |
| C | 52.5 | 35 | ||||||
| 32 | 11/4" | B | 12 | 6 | 480 | 120 | 0.00005 | 99999 |
| C | 90 | 60 | ||||||
| 40 | 11/2" | B | 20 | 10 | 800 | 200 | 0.00005 | 99999 |
| C | 150 | 100 | ||||||
| 50 | 2" | B | 30 | 15 | 3000 | 450 | 0.00005 | 99999 |
| C | 225 | 90 | ||||||
PRINCIPALES DONNÉES TECHNIQUES Selon ISO4064:2005 (Nouvelle Norme)
| DN | mm | 15 | 20 | 25 | 32 | 40 | 50 |
| TAILLE | Pouce | 1/2" | 3/4" | 1" | 11/4" | 11/2" | 2" |
| Q4(m³/h) | 3.125 | 5 | 7.875 | 12.5 | 20 | 31.25 | |
| Q3(m³/h) | 2.5 | 4 | 6.3 | 10 | 16 | 25 | |
| R80 | Q2(L/h) | 50 | 80 | 126 | 200 | 320 | 500 |
| Q1(L/h) | 31.25 | 50 | 78.75 | 125 | 200 | 312.5 | |
| R100 | Q2(L/h) | 40 | 64 | 100.8 | 160 | 256 | 400 |
| Q1(L/h) | 25 | 40 | 63 | 100 | 160 | 250 | |
| R125 | Q2(L/h) | 32 | 51.2 | 80.64 | 128 | 204.8 | 320 |
| Q1(L/h) | 20 | 32 | 50.4 | 80 | 128 | 200 | |
| R160 | Q2(L/h) | 25 | 40 | 63 | 100 | 160 | 250 |
| Q1(L/h) | 15.62 | 25 | 39.37 | 62.5 | 100 | 156.2 | |
| Lecture minimale (m³) | 0.00005 | 0.00005 | 0.00005 | 0.00005 | 0.00005 | 0.00005 | |
| Lecture maximale (m³) | 99999 | 99999 | 99999 | 99999 | 99999 | 99999 | |
| Pression maximale (MAP) | 16 | 16 | 16 | 16 | 16 | 16 | |
| Perte maximale (ΔP) | 63 | 63 | 63 | 63 | 63 | 63 | |
| Température maximale | T50 | T50 | T50 | T50 | T50 | T50 | |
| Option de sortie d'impulsion | interrupteur à lames | Vmax=24V, Imax=100mA, Pmax=2W | |||||
| salle | / | ||||||
| plaque métallique non magnétique | / | ||||||
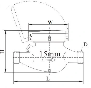
Dimensions et poids

| Taille du compteur | Longueur (L) | Largeur (B) | Hauteur (H) | Fil de connexion |
| mm | mm | D | ||
| 15 | 165/190 | 98 | 104 | G 3/4B |
| 20 | 190/195 | 98 | 106 | G 1B |
| 25 | 260/225 | 103 | 115 | G1 1/4B |
| 32 | 260/230 | 103 | 115 | G1 1/2B |
| 40 | 300/245 | 124 | 153 | G 2'B |
| 50 | 300 | 124 | 153 | G2 1/2 B |
| 280 | 165 | 175 | Bride de raccordement GB 4216.4 | |
étiquette à chaud: Débitmètre d'eau électronique, Chine, fabricants, fournisseurs, usine











